|
Rodamiento 7201 Bep De Bolas - Contacto Angular Med 12x32x10
Descripción
EMITIMOS FACTURA ELECTRONICA
7201 BEP
Rodamiento de una hilera de bolas de contacto angular
Estos rodamientos de una hilera de bolas de contacto angular pueden admitir cargas radiales y axiales que actúan simultáneamente, cuando la carga axial actúa en un solo sentido. Pueden funcionar a altas velocidades y, según la versión, incluso a velocidades muy altas. Son más adecuados que los rodamientos rígidos de bolas para admitir grandes fuerzas axiales que actúan en un sentido.
Capacidad de alta velocidad
Soportan cargas radiales relativamente altas y grandes cargas axiales unilaterales.
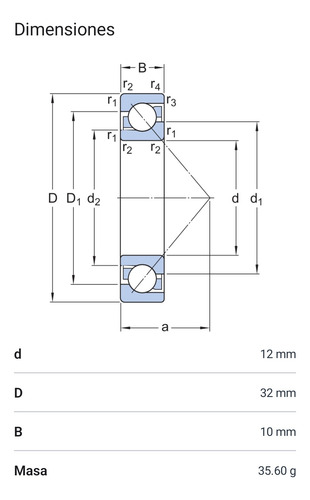
Dimensiones:
Diámetro interno 12 mm
Diámetro exterior 32 mm
Ancho 10 mm
Ángulo de contacto 40 °
Rendimiento:
Capacidad de carga dinámica básica 7.61 kN
Capacidad de carga estática básica 3.8 kN
Velocidad de referencia 28 000 r/min
Velocidad límite 26 000 r/min
Compartir este producto
También podría interesarte uno de estos
PISAROLL PLATINUM (DOBLE HOJA) 2X200 TO55035
|
TORK
Toalla en Rollo Jumbo Tork Advanced - 2 Rollo x 200 Mts. C/U TO55035
$21.011