|
Rodamiento 3306 Atn9 Hilera De Bolas Medidas: 30x72x30,2
Descripción
EMITIMOS BOLETA O FACTURA ELECTRONICA
SKF Todos los Derechos Reservados.
Fabricado en: USA
3306 ATN9
Rodamiento de dos hileras de bolas de contacto angular
Los rodamientos de dos hileras de bolas de contacto angular corresponden, en su diseño y funcionamiento, a un par de rodamientos de una hilera de bolas de contacto angular en una disposición espalda con espalda, al tiempo que requieren menos espacio axial. Pueden funcionar a altas velocidades y son más adecuados que los rodamientos rígidos de bolas para admitir grandes fuerzas axiales en ambos sentidos.
Capacidad de alta velocidad
Soportan cargas radiales relativamente altas, altas cargas axiales en ambos sentidos y momentos de inclinación
Adecuados cuando se requiere una disposición de rodamientos rígida
Requieren menos espacio axial que un par equivalente de rodamientos de una hilera de bolas de contacto angular.
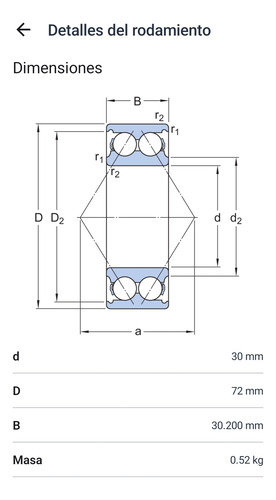
Dimensiones:
Diámetro interno 30 mm
Diámetro exterior 72 mm
Ancho 30.2 mm
Ángulo de contacto 30 °
Rendimiento:
Capacidad de carga dinámica básica 42.5 kN
Capacidad de carga estática básica 30 kN
Velocidad de referencia 10 000 r/min
Velocidad límite 9 000 r/min
Clase de rendimiento SKF SKF Explorer
Compartir este producto
También podría interesarte uno de estos
PISAROLL PLATINUM (DOBLE HOJA) 2X200 TO55035
|
TORK
Toalla en Rollo Jumbo Tork Advanced - 2 Rollo x 200 Mts. C/U TO55035
$21.011